還能記錄分析波形?解鎖PA系列功率分析儀的隱藏用法
2025-04-25
PA系列功率分析儀的隱藏實力:三種高效實用的波形記錄分析方法
功率分析儀具備高精度、高帶寬特性,已成為光伏、儲能、電源、電機、電動汽車和電力等領域的核心測試設備。致遠儀器PA系列功率分析儀(圖1所示),不僅具備電參數測量、諧波分析、矢量分析等常規功能,還內置多種實用波形記錄方案,從容應對瞬態波形、電流畸變、偶發異常等波形記錄分析難題。
接下來分享PA系列功率分析儀三種波形記錄方法,探索它們在各種測試場景中的應用優勢,提升測試工作效率與分析能力。
方法一:機器本地波形記錄,兩種方式便捷回溯分析
優勢:高速存儲、無需外部設備、靈活回放
PA系列功率分析儀內置240G超大硬盤,為波形和數據存儲提供充足空間。操作步驟簡單直觀:
1、進入存儲設置界面,設置存儲模式、文件類型(建議選擇pad格式文件,支持本地和PC軟件回讀)、存儲項、文件大小等參數(圖2所示)。
2、設置完成后點擊"開始存儲",屏幕下方會實時顯示存儲進度(圖3所示)。
3、存儲完成后,通過文件管理功能在內置硬盤中找到保存的文件(圖4所示)。
存儲完成后,可以通過兩種方式查看分析波形:
1、機器本地回讀:切換運行模式為"回讀"(圖5所示),在回讀文件中選擇保存的pad文件。文件加載后,調整"回讀幀"數即可查看不同時刻的波形狀態(圖6所示)。
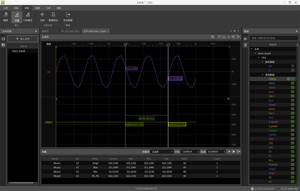
2、MTA軟件離線分析:在PC上打開MTA軟件(圖7所示),從左側欄選擇導入文件,加載保存的pad文件。文件可通過U盤拷貝到PC端,也可通過MTA軟件直接從儀器導入(圖8所示)。加載完成后,可添加光標及測量項目進行深入分析(圖9所示)。
方法二:PC端實時在線波形記錄
優勢:超長時間記錄、遠程監測、大容量存儲
當需要進行長時間、大容量的波形記錄時,MTA軟件也能提供實時在線波形記錄功能,操作簡便:
1、打開MTA軟件,通過"新建PA設備"功能連接功率分析儀(圖10所示)。
2、建立連接后,啟動數據采集,波形數據將實時保存至PC硬盤(圖11所示)。
這種方式可以突破儀器本身存儲容量的限制,只要PC硬盤空間充足,可無限時長記錄。通過在線記錄的方式,可以將PA功率分析儀轉變成一臺錄波儀使用。
方法三:常規分析模式快速查看臨時波形
優勢:無需預設記錄、即時波形回溯、關鍵數據挽救
電氣測試中時常會遇到偶發的異常波形,這些波形往往在快速刷新后消失,無法再次觀察。針對這一難題,PA系列功率分析儀提供常規分析功能,在未主動開啟波形記錄的情況下,能通過簡單操作回溯查看:
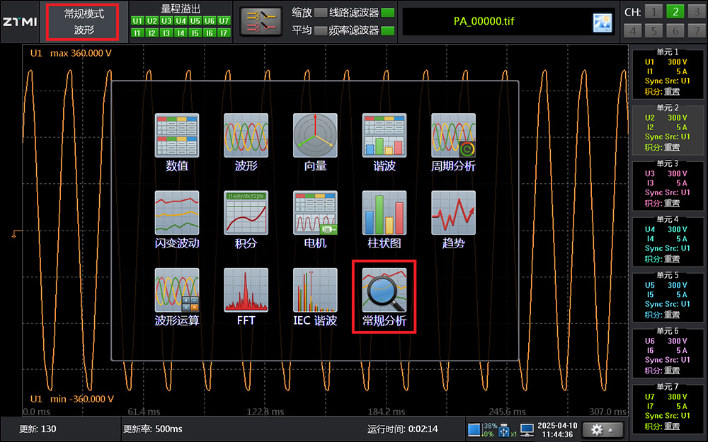
1、發現異常后,進入常規分析功能(圖12所示)。
2、打開常規分析,進入功能界面(圖13所示)。
3、在"數據序號"菜單中,選擇不同的波形幀數,找到異常所在(圖14所示)。
常規分析作為PA系列功率分析儀的重要補充功能,能增強測試過程中的數據獲取能力,適用于以下場景:
1、排查偶發性異常波形,節省重復測試時間;
2、在未預期開啟記錄的情況下保留測試數據;
3、為異常波形現象提供可回溯的數據支持;
4、提高測試異常捕獲的成功率。
PA系列功率分析儀的綜合應用優勢
致遠儀器PA系列功率分析儀(PA8000、PA6000H、PA5000H、PA2000mini,圖15所示),憑借全系列支持的波形記錄分析方法,實現精準測量和波形記錄分析的融合,為不同測試場景提供靈活方案:
精確測量+本地記錄(方法一):適用高精度現場分析,無需額外設備可完成波形記錄與分析。
長時間持續監測(方法二):突破儀器存儲限制,解決大容量數據記錄難題。
突發異常捕獲(方法三):有效捕獲偶發性異常,提供關鍵波形回溯能力。
圖15 PA系列功率分析儀型號列表
對于需要同時進行電參數測量和波形記錄分析的工程師,PA系列功率分析儀提供了高效、精準、集成的測試解決方案,實現"一臺儀器,多種價值"的綜合測試優勢。
