PA300系列功率計:三種數據記錄方法詳解,應對不同測試場景
2025-11-21
PA300系列功率計
功率計是一種基礎的電參數測量儀器,主要用于光伏、電源與變頻器、家電等行業的研發、產線測試環節,具有高精度、易集成、高性價比的產品特性。隨著行業測試需求的增多,不同行業的測試差異性也日漸顯著。
ZTMI致遠儀器推出單/三通道共七款功率計,性能指標包括:
● 電壓測量能力最高可達2000V
● 電流測量精度最小可測25μA微小電流
● 測量帶寬最大300kHz,滿足高頻信號測試
● 支持IEC諧波分析、積分測量等專業功能
具體型號參數如圖1所示:
三種數據記錄方式
方式一:U盤本地存儲
PA300系列功率計有單通道和三通道兩種類型,其前面板如圖2、圖3所示。
圖2 單通道功率計面板
圖3 三通道功率計面板
PA300系列功率計標配USB-Host接口,可接入U盤等外部移動存儲器,長時間存儲電壓、電流、功率、諧波等測量數據。
存儲內容與設置
存儲的測量項目為所有可顯示的測量項,包括常規模式和諧波模式下的測量項;存儲的測量項可通過上位機軟件或指令來設置。保存的測量數據會以CSV格式保存,以PA333H型功率計為例,功率計按"PA330_Data_年月日/H_小時/Pa330_分秒.csv"的格式生成文件和文件夾,存儲設置如圖4所示。
圖4 功率計存儲設置步驟
時間間隔設置
用戶可設定存儲時間間隔,設定范圍:00.00.00(0時,00分,00秒)~99.59.59(99時,59分,59秒);初始值為1s,如圖5所示。
圖5 功率計存儲時間間隔設置
保存數據分析
開啟存儲功能后,功率計會自動將數據保存在U盤當中,存儲結束后,可以將U盤中的CSV文件拷貝到PC端進行二次分析,CSV文檔數據列表如圖6所示。
圖6 U盤存儲CSV格式
方式二:PC端實時存儲
PA300系列功率計也支持PC端實時存儲,可通過致遠儀器提供的MTA Studio綜合測量測試分析軟件實現數據在PC端的存儲。
具體操作如下:
步驟1:連接設備
將PA300功率計通過以太網與PC相連,設置好IP地址,打開MTA Studio軟件,在新建設備中選擇功率計設備,如圖7所示,選擇對應型號,設置好IP地址即可連接功率計,如圖8所示。
圖7 MTA添加功率計
圖8 功率計連接設置
步驟2:設置幀存儲
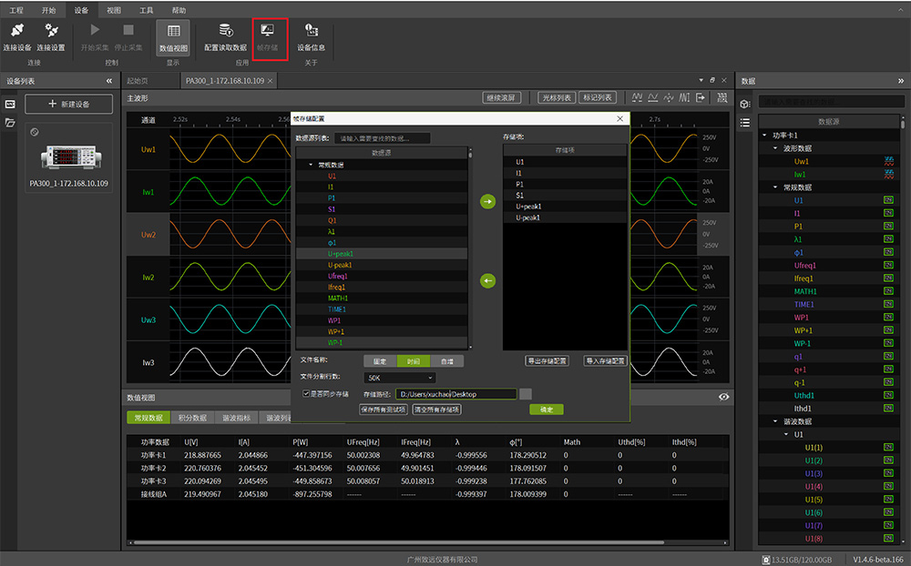
軟件連接上功率計后,可以通過菜單欄中"幀存儲"功能實現在線數據的實時保存,如圖9所示,可選擇存儲數據項目、文件大小、存儲路徑等內容,數據保存的時間間隔與功率計設置的數據更新率一致。
圖9 幀存儲設置
步驟3:開始采集
幀存儲設置完成并勾選同步存儲功能后,點擊開始采集,軟件會實時讀取功率計數據并將設置選中的數據項目保存在PC端對應路徑CSV文件下,文件默認以時間命名,停止采集后文件結束保存,保存的CSV文件格式如圖10所示。
圖10 幀存儲保存的數據內容
方式三:上位機保存波形和數據
如果PA300功率計在連接MTA軟件使用過程中,沒有開啟幀存儲功能,還可以通過波形界面的數據導出功能,將緩存在PC端的波形和數據(需在波形界面選擇且顯示)導出成文件。
導出設置如圖11所示,用戶可對數據內容、導出文件格式、數據源、文件大小、抽樣間隔等進行設置,導出所需文件。
圖11 波形及數據導出設置
波形數據導出
在此功能下,不僅可以導出常規數據,還可以導出電壓、電流原始波形,導出波形數據如圖12所示(折線圖為手動繪制)。
圖12 導出表格數據
結 語
PA300系列雖然是功能相對簡單的電參數測試儀器,但其數據記錄和分析功能并不簡單。用戶可以根據自身測試需要,選擇合適的數據記錄方法,實現數據的長時間記錄和精準分析,以合理的成本滿足專業測試需求。
